Параллельный колебательный контур

В прошлой статье мы с вами рассмотрели последовательный колебательный контур , так как все участвующие в нем радиоэлементы соединялись последовательно. В этой же статье мы  рассмотрим параллельный колебательный контур, в котором катушка и конденсатор соединяются параллельно.

Параллельный колебательный контур

Идеальный колебательный контур

На схеме идеальный колебательный контур выглядит вот так:

идеальный параллельный колебательный контур

где

L — индуктивность , Генри

С — емкость, Фарад

Реальный колебательный контур

В реальности у нас катушка обладает приличным сопротивлением потерь, так как намотана из провода, да и конденсатор тоже имеет некоторое сопротивление потерь. Потери в емкости очень малы и ими обычно пренебрегают. Поэтому оставим только одно сопротивление потерь катушки R. Тогда схема реального колебательного контура примет вот такой вид:

реальный паралельный колебательный контур

где

R — это сопротивление потерь контура, Ом

L — индуктивность, Генри

С — емкость, Фарад

Принцип работы параллельного колебательного контура

Давайте подцепим к генератору частоты реальный параллельный колебательный контур

паралельный колебательный контур в цепи генератора частоты

Что будет, если мы подадим на контур ток с частотой в ноль Герц, то есть постоянный ток? Он спокойно побежит через катушку и будет ограничиваться лишь сопротивлением потерь R самой катушки. Через конденсатор ток не побежит, потому что конденсатор не пропускает постоянный ток. Об это я писал еще в статье конденсатор в цепи постоянного и переменного тока .

Давайте тогда будем добавлять частоту. Итак, с увеличением частоты у нас конденсатор и катушка начнут оказывать реактивное сопротивление электрическому току.

Реактивное сопротивление катушки выражается по формуле

реактивное сопротивление катушки

а конденсатора по формуле

реактивное сопротивление конденсатора

Более подробно про это можно прочитать в этой статье.

Если плавно увеличивать частоту, то можно понять из формул, что в самом начале при плавном увеличении частоты конденсатор будет оказывать бОльшее сопротивление, чем катушка индуктивности. На какой-то частоте реактивные сопротивления катушки X L и конденсатора X C уравняются. Если далее увеличивать частоту, то уже катушка уже будет оказывать большее сопротивление, чем конденсатор.

Резонанс параллельного колебательного контура

Очень интересное свойство параллельного колебательного контура заключается в том, что при Х L = Х С у нас колебательный контур войдет в резонанс . При резонансе колебательный контур начнет оказывать большее сопротивление переменному электрическому току . Еще часто это сопротивление называют резонансным сопротивлением контура и оно выражается формулой:

формула резонансного сопротивления

где

R рез — это сопротивление контура на резонансной частоте

L — собственно сама индуктивность катушки

C — собственно сама емкость конденсатора

R — сопротивление потерь катушки

Формула резонанса

Для параллельного колебательного контура также работает формула Томсона для резонансной частоты как и для последовательного колебательного контура:

формула резонанса параллельного колебательного контура

где

F — это резонансная частота контура, Герцы

L — индуктивность катушки, Генри

С — емкость конденсатора, Фарады

Как найти резонанс параллельного колебательного контура на практике

Ладно, ближе к делу. Берем паяльник в руки и спаиваем катушку и конденсатор параллельно. Катушка на 22 мкГн, а конденсатор на 1000пФ.

параллельный колебательный контур

Итак, реальная схема этого контура будет вот такая:

Параллельный колебательный контур

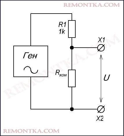
Для того, чтобы все показать наглядно и понятно, давайте добавим к контуру последовательно резистор на 1 КОм и соберем вот такую схему:

Параллельный колебательный контур

Параллельный колебательный контур

На генераторе мы будет менять частоту, а с клемм X1 и X2 мы будем снимать напряжение и смотреть его на осциллографе.

Нетрудно догадаться, что у нас сопротивление параллельного колебательного контура будет зависеть от частоты генератора, так как в этом колебательном контуре мы видим два радиоэлемента, чьи реактивные сопротивления напрямую зависит от частоты, поэтому заменим колебательный контур эквивалентным сопротивлением контура R кон .

Упрощенная схема будет выглядеть вот так:

Параллельный колебательный контур

Интересно, на что похожа эта схема? Не на делитель ли напряжения ? Именно! Итак, вспоминаем правило делителя напряжения: на меньшем сопротивлении падает меньшее напряжение, на бОльшем сопротивлении падает бОльшее напряжение. Какой вывод можно сделать применительно к нашему колебательному контуру? Да все просто: на резонансной частоте сопротивление R кон будет максимальным, вследствие чего у нас на этом сопротивлении «упадет» бОльшее напряжение.

У нас есть калькулятор резисторов по цветам . Самый крутой подборник.

Начинаем наш опыт. Поднимаем частоту на генераторе, начиная с самых маленьких частот.

200 Герц.

Параллельный колебательный контур

Как вы видите, на колебательном контуре «падает» малое напряжение, значит, по правилу делителя напряжения, можно сказать, что сейчас у контура малое сопротивление R кон

Добавляем частоту. 11,4 Килогерца

Параллельный колебательный контур

Как вы видите, напряжение на контуре поднялось. Это значит, что  сопротивление  колебательного контура увеличилось.

Добавляем еще частоту. 50 Килогерц

Параллельный колебательный контур

Заметьте, напряжение на контуре повысилось еще больше. Значит его сопротивление еще больше увеличилось.

723 Килогерца

Параллельный колебательный контур

Обратите внимание на цену деления одного квадратика по вертикали, по сравнению с прошлым опытом. Там было 20мВ на один квадратик, а сейчас уже 500 мВ на один квадратик. Напряжение выросло, так как сопротивление колебательного контура стало еще больше.

И вот я поймал такую частоту, на которой получилось максимальное напряжение на колебательном контуре. Обратите внимание на цену деления по вертикали. Она равняется двум Вольтам.

частота резонанса

Дальнейшее увеличение частоты приводит к тому, что напряжение начинает падать:

Параллельный колебательный контур

Снова добавляем частоту и видим, что напряжение стало еще меньше:

Параллельный колебательный контур

Что происходит на резонансной частоте в параллельном колебательном контуре

Давайте более подробно рассмотрим эту осциллограмму, когда у нас было максимальное напряжение с контура.

Параллельный колебательный контур

Что здесь у нас произошло?

Так как на этой частоте был всплеск напряжения, следовательно, на этой частоте параллельный колебательный контур имелсамое  высокое сопротивление R кон . На этой частоте Х L = Х С . Потом с ростом частоты сопротивление контура снова упало. Это и есть то самое резонансное сопротивление контура, которое выражается формулой:

Параллельный колебательный контур

Резонанс токов

Итак, давайте допустим, мы вогнали наш колебательный контур в резонанс:

резонанс параллельного колебательного контура

Чему будет равняться резонансный ток I рез ? Считаем по закону Ома:

I рез = U ген /R рез , где  R рез = L/CR.

Но самый прикол в том, что у нас при резонансе в контуре появляется свой собственный контурный ток I кон , который не выходит за пределы контура и остается только в самом контуре! Так как с математикой у меня туго, поэтому я не буду приводить различные математические выкладки с производными и комплексными числами и объяснять откуда берется контурный ток при резонансе. Именно поэтому резонанс параллельного колебательного контура называется резонансом токов .

Добротность параллельного колебательного контура

Кстати, этот контурный ток будет намного больше, чем ток, который проходит через контур. И знаете во сколько раз? Правильно, в Q раз.  Q — это и есть добротность ! В параллельном колебательном контуре она показывает во сколько раз сила  тока в контуре  I кон больше сила тока в общей цепи I рез

Или формулой:

добротность паралелльного колебательного контура

Если сюда еще прилепить сопротивление потерь, то формула примет вот такой вид:

формула добротности

где

Q — добротность

R — сопротивление потерь на катушке, Ом

С — емкость, Ф

L — индуктивность, Гн

Применение параллельного колебательного контура

Параллельный колебательный контур применяется в радиоприемном оборудовании, где надо выделить частоту какой-либо станции. Также с помощью колебательного контура можно построить различные резонансные фильтры.

Также смотрите видео:

EnglishRussianUkrainian